PVC 밸브소켓
- 제품설명
- 내식성, 내약품성 내유성이 우수하고 무독, 무취이며 유량이 많고 가볍고 강하며 취급 용이합니다 또한 자기 소화성이 있고 수명이 길며 전기 절연성이 우수합니다 가격이 저렴하고 가공 배관이 용이합니다
- 유의사항
- 조명이나 모니터 색상에 따라 실색상과 다소 차이가 있을 수 있으며, 부속의 색상과 치수는 각 메이커 별로 다소 차이가 있으므로 반드시 확인 후 발주하시기 바랍니다.
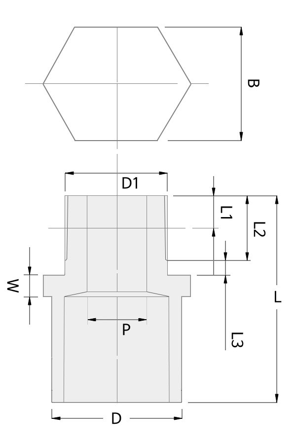
- 1. L의 허용차 : +5mm, -2mm
- 2. 나사부는 KS BO222관용 테파수나사로 한다.
- 3. *는 KS 규격외 제품임
단위:mm
| D | 나사부 | W | L | B (최소치) |
|||||
|---|---|---|---|---|---|---|---|---|---|
| 기본외경 D1 |
나사산수 25.4mm |
기본위치 위치 L1 |
L1의 허용차 |
유효나사부 길이 L1 |
|||||
| 13 X ½" | 24 | 20.955 | 14 | 8.2 | 3.6 | 15 | 6 | 50 | 24 |
| 16 X ½" | 29 | 20.955 | 14 | 8.2 | 3.6 | 15 | 6 | 54 | 29 |
| 20 X ¾" | 33 | 26.441 | 14 | 9.5 | 3.6 | 17 | 8 | 64 | 33 |
| 25 X 1" | 40 | 33.249 | 11 | 10.4 | 4.6 | 19 | 8 | 71 | 40 |
| 30 X 1¼" | 46 | 41.910 | 11 | 12.7 | 4.6 | 22 | 10 | 80 | 46 |
| *35 X 1¼" | 51 | 41.910 | 11 | 12.7 | 4.6 | 22 | 10 | 81 | 52 |
| 40 X 1½" | 57 | 47.803 | 11 | 12.7 | 4.6 | 22 | 10 | 92 | 57 |
| 50 X 2" | 70 | 59.614 | 11 | 15.9 | 4.6 | 26 | 12 | 106 | 70 |
| 65 X 2½" | 87 | 75.500 | 11 | 15.9 | 4.6 | 30 | 13 | 117 | 86 |
| 75 X 3" | 101 | 87.884 | 11 | 20.6 | 4.6 | 34 | 16 | 128 | 101 |
| *100 X 4" | 129 | 113.030 | 11 | 25.4 | 5.0 | 40 | 18 | 157 | 128 |